Устройство авто. Опыт вождения. ПДД
ВАЗ-2103-06
:
Двигатель
·
Трансмиссия
·
Ходовая
·
Управление
·
Электрика
·
Кузов
·
Авторемонт
Инструкции
:
ДЭУ-Ланос
·
Лада-Калина
·
Лада-Приора
·
Aveo
·
Б/У авто
·
Автоугон
·
Опыт вождения
·
ПДД
Ходовая часть ВАЗ
Передняя подвеска
Устройство и работа
Техобслуживание
Регулировка
Ремонт передней подвески
Проверка техсостояния
Замена шарниров
Задняя подвеска
Устройство
Снятие и установка
Амортизаторы
Устройство
Ремонт
Деталировка ходовой
Подвеска передняя (Д3.01)
Амортизаторы и стабилизаторы поперечной устойчивости (Д3.20)
Подвеска задняя (Д3.05)
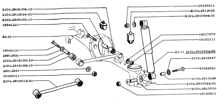
Подвеска задняя (Д3.06)
Амортизатор передней подвески (Д3.10)
Амортизатор задней подвески (Д3.11)
Кулак поворотный (Д3.14)
Колеса (Д3.16)
Колонка рулевого
Деталировка ходовой части ВАЗ 2101
Чертежи, схемы, спецификации деталей ходовой части автомобиля ВАЗ 2101 (классика).
Подвеска задняя
В начало страницы